22无刷空芯杯直流伺服电机
22无刷空芯杯直流伺服电机具有低惯量、无磁滞、电磁干扰小的优点。其运转时摩擦阻力小,运行流畅,噪音低。采用高强度永磁材料,是高效、节能、环保的电机。其结构紧凑、体积小、使用寿命长、控制和拖动性能优良。
22无刷空芯杯直流伺服电机具有低惯量、无磁滞、电磁干扰小的优点。其运转时摩擦阻力小,运行流畅,噪音低。采用高强度永磁材料,是高效、节能、环保的电机。其结构紧凑、体积小、使用寿命长、控制和拖动性能优良。
| 型号 | 额定功率(W) | 额定转速(rpm) | 额定扭矩(mNm) | 额定电流(mA) | 额定电压(v) | 峰值扭矩(mNm) | 效率% |
| 22SYK33-6L | 6 | 13800 | 4.15 | 1 | 6 | 18 | 67 |
| 22SYK33-6 | 14 | 10800 | 11.4 | 2.38 | 6 | 45 | 67 |
| 22SYK33-12 | 15 | 1200 | 11.2 | 1.25 | 12 | 44 | 67 |
| 22SYK33-24 | 57 | 36000 | 15.6 | 2.4 | 24 | 62.4 | 86 |
| 22SYK40-24 | 16.8 | 10000 | 16 | 0.7 | 24 | 96 | 80 |
| 22SYK60-32 | 128 | 39000 | 30.5 | 4.1 | 32 | 120 | 88 |
| 22SYK60-36 | 31 | 12200 | 22.7 | 0.877 | 36 | 88 | 76 |
注:
1.每个型号都分为有霍尔型和无霍尔型
2.电机出轴形式、安装方式可根据用户要求定做。
3.可以根据输出转速要求配不同传动比的行星减速器。
4.可以根据控制要求选配增量式编码器。
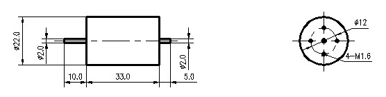
外形及安装尺寸:

应用示例:
22无刷伺服电机广泛应用于小型自动化设备、机器人等,如搅拌机、钉枪、玩具机器人等。
